A forgó statikus tömítések teljes választékát biztosítjuk, amelyek a szokásos általános célú és nagynyomású speciális termékeket fedik le. Az RCFL106/102 és az RCK126 alapmodellek egyszerű szerkezetű és széles körű alkalmazással; RCS130/131 és RCFL108 alkalmazza az extrudálási külső átmérőjű telepítési kialakítást a horony beágyazásának stabilitásának biztosítása érdekében; Az RCK120/127 és más hasonló sorozatú termékek ugyanazt a megbízhatóságot érik el az extrudálás belső átmérőjének telepítése révén.
A karimás tömítési igényekre reagálva az RCF110 és az RCR118 mindkét irányban nyomást gyakorolhat, és megrendeléskor meg kell jelölni a nyomás irányát. A termékcsalád teljesen lefedi az alacsony nyomású munkakörülményeket, és az anyag kopásálló és korrózióálló, és széles körben használják a hidraulikus rendszerekben, a csővezeték-csatlakozásokban és az ipari berendezések tömítésében.
Termékjellemzők és alkalmazások:
Alkalmazás: Általános cél, azonosító tömítés, OD -tömítés, tengelyirányú tömítés
O-gyűrűs specifikációk és hornyok
Megrendelésméret
Φd1 ...... belső átmérőjű
Φd2 ...... metszet átmérője
Rendelési példa
Modell: RCFL106
Belső átmérőjű metszet átmérője: 14x1,8
Anyag: NBR
Alkalmazás
Belső nyomás: Az O-gyűrű külső átmérőjéből van összenyomva
Nyomás a külső oldalról: Az O-gyűrűt a belső átmérőből összenyomják
Az O-gyűrűk pontos gyártási toleranciákkal rendelkeznek. A megengedett toleranciákat a DIN3771 és az ISO3601/1 szerint szabványosítottuk (a keresztmetszet átmérője legfeljebb 7 mm, belső átmérője 670 mm-ig). A megfelelő tűréseket a következő táblázat mutatja.
| Szakasztolerancia | ||||||||
| Szakasz | 1.80 | 2.65 | 3.55 | 5.30 | 7.00 | 8.4 | 10.00 | 12.00 |
| Tolerancia | ± 0,08 | ± 0,09 | ± 0,10 | ± 0,13 | ± 0,15 | ± 0,18 | ± 0,21 | ± 0,25 |
| Belső átmérő tolerancia | ||||||||||
| Belső átmérő | 1,80 ~ 6.30 | 6.70 ~ 11,20 | 11,8 ~ 21.2 | 22,4 ~ 40,0 | 41,2 ~ 80,0 | 82,5 ~ 160 | 165 ~ 300 | 300 ~ 650 | 670 ~ 910 | 910 ~ 1180 |
| Tolerancia | ± 0,13 | ± 0,16 | ± 0,19 | ± 0,95 | ± 0,86 | ± 0,78 | ± 0,74 | ± 0,67 | ± 0,60 | ± 0,65 |
| Megfelelő belső átmérőjű százalék % | ||||||||||
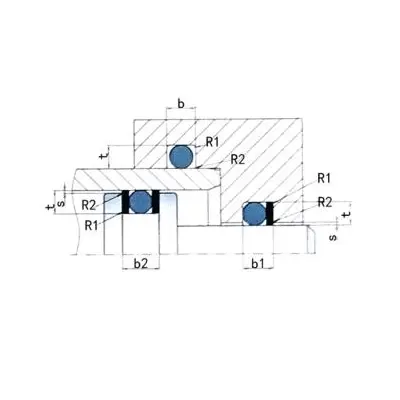
Horonyméret
![]() |
||||||||||
| Szakasz d2 | Horonymélység t | Groove szélességi egység: mm (+0,20) | Sugár R1 mm | |||||||
| mm | Statikus | Dinamikus (hidraulikus) | Dinamikus (pneumatikus) | b Nincs tartógyűrű | B1 1 tartógyűrű | b2 2 tartógyűrűk | ||||
| 1.00 | 0.65 | ± 0,05 | 0.75 | ± 0,02 | 0.80 | ± 0,02 | 1.4 | 2.4 | 3.4 | 0.2-0.4 |
| 1.50 | 1.05 | 1.20 | 1.25 | 2.0 | 3.0 | 4.0 | 0.2-0.4 | |||
| 1.80 | 1.30 | 1.45 | 1.55 | 2.4 | 3.4 | 4.4 | 0.2-0.4 | |||
| 2.00 | 1.50 | 1.65 | 1.75 | 2.7 | 3.7 | 4.7 | 0.2-0.4 | |||
| 2.50 | 1.95 | 2.10 | 2.20 | 3.4 | 4.9 | 6.4 | 0.2-0.4 | |||
| 2.65 | 2.05 | 2.25 | 2.35 | 3.6 | 5.1 | 6.6 | 0.2-0.4 | |||
| 3.00 | 2.40 | 2.55 | 2.70 | 4.2 | 5.7 | 7.2 | 0.2-0.4 | |||
| 3.50 | 2.80 | ± 0,07 | 3.05 | ± 0,05 | 3.20 | ± 0,05 | 4.8 | 5.3 | 7.8 | 0,3-0.6 |
| 3.55 | 2.85 | 3.10 | 3.25 | 4.8 | 6.3 | 7.8 | 0,3-0.6 | |||
| 4.00 | 3.25 | 3.50 | 3.65 | 5.4 | 6.9 | 8.4 | 0,3-0.6 | |||
| 5.00 | 4.15 | ± 0,10 | 4.45 | 4.65 | 6.8 | 8.8 | 10.8 | 0,3-0.6 | ||
| 5.30 | 4.40 | 4.70 | 4.90 | 7.2 | 9.3 | 11.2 | 0,6-1,0 | |||
| 7.00 | 5.85 | 6.25 | 6.55 | 9.6 | 12.1 | 14.6 | 0,6-1,0 | |||
| 8.40 | 7.10 | 7.50 | 7.90 | 12.9 | 13.4 | 15.6 | 0,6-1,0 | |||











Cím
No.1 Ruichen Road, Dongliuting Industrial Park, Chengyang District, Qingdao City, Shandong tartomány, Kína
Tel