A nagynyomású tömítővezető elemünk gazdag sokféleséggel rendelkezik.
A támogató gyűrű a hidraulikus henger fontos alapvető alkotóeleme. A Ruichen Seal sikeresen kifejlesztette a ruhával erősített fenolos tartógyűrűt (öv), hogy megfeleljen a nemzetközi tológyűrű kombinált tömítésének és a lágy tartószerkezetnek a fejlődésének. Évekig tartó gyakorlat után a minőség meghaladja a hasonló külföldi termékek minőségét, és a felhasználók jól fogadták. A teljesítménytábla referenciaként használható.
A vezető öv szempontjából az RC1081 megerősített polietraetilén-öv bronzport ad hozzá a PTFE-hez stb., Nagy terhelésű, alacsony kopás, alacsony súrlódás és kúszó tulajdonságok nélkül; Az RC1082 ruha által megerősített fenolos vezetőszíj fenolos ruhával erősített anyagot alkalmaz, és radiális terhelés-hordozó képessége jobb, mint a PTFE vezetőszíjé. Mindkettőt tekercsekben szállítják, amelyek könnyen vághatók és telepíthetők, és elkerülhetik a fémkontaktust. Az RC -k és az RCT vezetőgyűrűit dugattyúrúdhoz és dugattyúhoz használják.
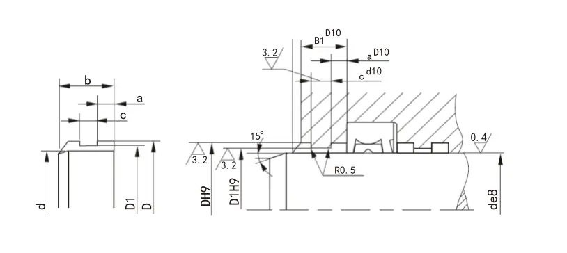
A kopásálló gyűrűk funkcióval pontosan irányítják a dugattyú vagy dugattyúrúdot a hidraulikus hengerben, és felszívják a sugárirányú erőt, ami megakadályozhatja a fém érintkezését. A fém kopásgyűrűkkel összehasonlítva a nem fémes kopásgyűrűknek a kopásállóság előnyei vannak, elkerülve a fém érintkezést, elnyomva a rezgést, lehetővé téve a nagyobb sugárirányú távolságot, az egyszerű hornyokat és az egyszerű telepítést, valamint az alacsony karbantartási költségeket. Széles körben használják őket. Közülük a ruha által megerősített fenolos és PTFE útmutató gyűrűk a helyszíni vágásban és a használatra kész típusokban kaphatók.
A vezető hüvelyek szempontjából a GFAI -t dugattyúrudakhoz használják, tartó, irányító és porálló funkciókkal; A GFI -t dugattyúrudakhoz is használják, támogató és irányító szerepet játszanak; A GFA -t dugattyúkhoz használják, támogatást és irányítást biztosítva. Ezek a termékek segítenek a hidraulikus hengerek számára, hogy minden szempontból stabilan működjenek.
Termékjellemzők és alkalmazások:
Rendelési példa:
PTFE útmutatószalag megrendelési példa RC1081-9.7x2.5
Fenolos ruhadarigés Szalag Rendelési Példa RC1082-9.7x2.5
Vágási hossz kiszámítás
Tengelyhez: l = 3,1 (d+w) lyukhoz: l = 3,1 (d-w)
L --- gyűrűhossz d --- tengely átmérője D --- lyuk átmérője w --- gyűrű vastagság z --- vágás hézag
Útmutató hüvely gfai
1. Teljesítmény és használat: A GEAD SLEVE GFAI vezető hüvelye a dugattyúrúdhoz, amely támogatja és irányítja a dugattyúrúdot, és porálló funkcióval rendelkezik.
2. Anyag: Nylon PA, polioxi -metilén POM és polietrafluor -etilén PTFE.
3. Munkakörülmények: Munkahőmérséklet: -55 ~+225 ℃ (a PTFE -t 120 ℃ felett használják).
4. Tervezési szabvány: Tervezés és kiválasztáskor lásd a Hunger Company FAI sorozatát.
5. Jelölési és rendelési módszer: A GFAI útmutatóját megrendelési számmal jelöli, példa: GFAI-0600PTFE
Útmutató GFI
1. Teljesítmény és használat: A GIAD SLEVE GFI vezető hüvelye a dugattyúrúdhoz, amely támogatja és irányítja a dugattyúrúdot.
2. Anyag: Nylon PA, polioxi -metilén POM és polietrafluor -etilén PTFE.
3. Munkakörülmények: Munkahőmérséklet: -55 ~+255 ℃ (a PTFE -t 120 ℃ felett használják)
4. Tervezési szabvány: Tervezés és kiválasztáskor lásd a Hunger FI sorozatát.
5. Jelölési és rendelési módszer: Az útmutató GFI-t a rendelési számmal jelölve, példa: GFI-0360PA
Útmutató GFA
1. Teljesítmény és felhasználás: A GAIRE SLEVE GFA egy dugattyú vezető hüvelye, amely támogatja és irányítja a dugattyút.
2. Anyag: Nylon PA, polioxi -metilén POM és polietrafluor -etilén PTFE.
3. Munkakörülmények: Munkahőmérséklet: -55 ~+255 ℃ (a PTFE -t 120 ℃ felett használják)
4. Tervezési szabvány: Tervezés és kiválasztáskor lásd a Hunger FA sorozatát.
5. Jelölési és rendelési módszer: A GAID hüvely GFA-ja megrendelésszámmal van megjelölve, példa: GFA-0560PA
6. Szerkezeti eszköz:
Műszaki adatok:
| Modell | Horony szélessége H+0,2 |
Vastagság T - 0,05 |
T vastagság t T - 0,05 |
Vastagság T - 0,05 |
Vastagság T - 0,05 |
Vastagság T - 0,05 |
| RC1081/1082-4.2 | 4.2 | 1 | 1.55 | 2 | 2.5 | - |
| RC1081/1082-5.6 | 5.6 | 1.55 | 2 | 2.5 | - | - |
| RC1081/1082-6.3 | 6.3 | 1.55 | 2 | 2.5 | - | - |
| RC1081/1082-8.1 | 8.1 | 1.55 | 2 | 2.5 | - | - |
| RC1081/1082-9.7 | 9.7 | 2 | 2.5 | 3 | 3.5 | 4 |
| RC1081/1082-12.7 | 12.7 | 2 | 2.5 | 3 | 3.5 | 4 |
| RC1081/1082-15 | 15 | 2 | 2.5 | 3 | 3.5 | 4 |
| RC1081/1082-20 | 20 | 2 | 2.5 | 3 | 3.5 | 4 |
| RC1081/1082-25 | 25 | 2 | 2.5 | 3 | 3.5 | 4 |
| RC1081/1082-30 | 30 | 2 | 2.5 | 3 | 3.5 | 4 |
| RC1081/1082-35 | 35 | 2 | 2.5 | 3 | 3.5 | 4 |
| MEGJEGYZÉS: A vastagbőr sorozatot általában használják. Ha a szükséges termék nincs ebben a táblázatban, kérjük, vegye fel velünk a kapcsolatot. | ||||||
Ruha által megerősített fenolos tartógyűrű (öv)
A tartógyűrű a hidraulikus henger fontos alapvető alkotóeleme. Annak érdekében, hogy alkalmazkodjunk a csúszó gyűrűs kombinált tömítések és a lágy csapágyszerkezetek fejlesztéséhez a világon, cégünk sikeresen fejlesztette ki a ruha által megerősített fenolos támogató gyűrűt (öveket). A tényleges felhasználás évei azt mutatták, hogy ez a termék elérte vagy meghaladta a hasonló külföldi termékek minőségi szintjét, és a felhasználók széles körben dicsérték. Az 1–4. Táblázat a cégünk által előállított támogató gyűrűk (övek) teljesítménytáblái.
1. táblázat: A támogató gyűrű és a Busak+Shamba termékek fizikai tulajdonságainak összehasonlítása
| Mintaforrás | Támogató gyűrű vastagsága (MM) | Nyomószilárdság (MPA) | Olajrezisztencia súlyváltozási sebesség hidraulikaolaj (70 ± 2 ℃*24h) | Töréserő (MPA) | Rétegközi tapadás (KN/m) |
| Divat+shamba | 2.48 | 338.9 | 2.83 | 35.6 | 1.2 |
| Termékeink | 2.48 | 425 | 0.90 | 37.0 | 2.9 |
| 2.48 (grafittel) | 390 | 0.63 | 36.4 | 2.08 |
| Mintatípus | Termékeink | Orchot tlg ① | DurateC900 ① | Turcite47 ② | MT64/5B | Nokwr (nap) | Pomdified polioxi -metilén | Macska (USA) | |
| Mért érték | Szükséges mutatók | ||||||||
| Nyomószilárdság (MPA) | ≥350 | ≥330 | ≥350 | ≥280 | ≥50 | ≥270 | ≥150 | ≥80 | ≥217 |
| Mintatípus | Termékeink | Orchot tlg ① | DurateC900 ① | Turcite47 ② | MT64/5B | Nokwr (nap) | Pomdified polioxi -metilén | Macska (USA) | |
| Mért érték | Szükséges mutatók | ||||||||
| Nyomószilárdság (MPA) | ≥350 | ≥330 | ≥350 | ≥280 | ≥50 | ≥270 | - | ≥80 | ≥217 |
| Terhelés egységnyi érintkezési hosszonként W (n/mm) | Hertz kontakt relé ΔH (N/MM2) | Súrlódási együttható | |||
| Száraz súrlódási állapot | Olajcsepp kenési állapot | ||||
| Termékeink | Orchot tlg | Termékeink | Orchot tlg | ||
| 5.9 | 22.0 | 0.054 | 0.066 | 0.057 | 0.079 |
| 29.0 | 48.7 | 0.052 | 0.067 | 0.056 | 0.081 |
| 44.4 | 60.3 | 0.045 | 0.071 | 0.055 | 0.088 |
| 59.8 | 69.8 | 0.021 | 0.073 | 0.053 | 0.087 |
| 75.2 | 78.3 | 0.020 | 0.075 | 0.052 | 0.085 |
| Anyag | PTFE+bronz |
| Kínálat | Tekercs (általában kb. 20 méter/tekercs), vagy vágja a szükséges hosszúságra |
| Előnyök | 1. Alacsony súrlódás, kúszó és harapás; |
| 2. Még elegendő kenés nélkül is jól működhet; | |
| 3. Rezisztens a különféle táptalajokkal szemben, kiváló kémiai stabilitás; | |
| 4. A kopásálló gyűrűbe beágyazott kemény tárgyakat képes befogadni a henger és a tömítések megkarcoló kemény tárgyak csökkentése érdekében, így a nehéz terhelésű helyzetekben több kopásálló gyűrűt használnak; | |
| 5. Jó kopásállósággal is rendelkezik nagysebességű és könnyű terhelésű helyzetekben, tehát ez a legszélesebb körben alkalmazott kopásálló gyűrű; | |
| 6. NEM méretkorlátozások, nagy átmérőjű helyzetekben. | |
| Hőmérséklet | -60 ~+200 ℃ |
| Maximális sebesség | 15 m/s |
| Maximális extrudálási szilárdság | 15n/mm2 (20 °) |
| 7,5N/mm2 (80 °) | |
| 5n/mm2 (120 °) |
RCS nemfémes vezetőgyűrű dugattyúrúdhoz
RCT nemfémes vezetőgyűrű dugattyúhoz
A hidraulikus hengerben futó dugattyú vagy dugattyúrúd esetében a kopásgyűrűnek pontos irányító hatása van, és elnyeli a sugárirányú erőket. Ugyanakkor a kopásgyűrű megakadályozhatja a hidraulikus hengerben lévő csúszó alkatrészek fémkontaktusát. A fém kopásgyűrűkkel összehasonlítva a nem fémes kopásgyűrűknek számos előnye van. Közülük a ruha által megerősített fenolos és PTFE útmutató gyűrűk a helyszíni vágásban és a használatra kész típusban kaphatók.
1. Jó kopásállóság
2. Kerülje a fém-fém érintkezést
3. Elnyomhatja a mechanikai rezgést
4.
5. A horony egyszerű és könnyen telepíthető
6. A fenti előnyök alapján alacsony karbantartási költségek széles körben használják
Anyag:
1.
2.
3.
A különböző anyagok terheléshordozó képességének összehasonlító táblája (referencia)
| Anyag | Max (n/mm2) hordtőkapacitása |
| PTFE-vel töltött rézpor | 15 (20 ℃); 7,5 (80 ℃) 5 (120 ℃) |
| Fenolpor ruhával | 90 (60 ℃); 40 (80 ℃) |
| Polioxi -metilén vagy nylon | 25 (60 ℃); 15 (80 ℃) |
| Polioxi -metilén vagy nejlon töltött | 40 (60 ℃); 30 (80 ℃) |
| Simaság | Rtmax (μm) | RA (μM) |
| Csúszófelület | ≤2,5 | 0,05-0.3 |
| Horony alsó | ≤10 | ≤2 |
| Horony oldal | ≤15 | ≤3 |
Dugattyúrúd vezető gyűrűs specifikációs sorozat
| Rúd átmérője | Alsó átmérő | Horony szélessége | Vastagság | Rés |
|
Rúd átmérője | Alsó átmérő | Horony szélessége | Vastagság | Rés |
| d f8/h9 | D H8 | L+0.2 | W | Z | d f8/h9 | D H8 | L+0.2 | W | Z | |
| 8-20 | D+3.1 | 2.5 | 1.55 | 1-2 | 200-9999.9 | D+5 | 25 | 2.5 | 8-33 | |
| 10-50 | D+3.1 | 4 | 1.55 | 1-3 | 1000-4200 | D+5 | 25 | 2.5 | 33-134 | |
| 15-140 | D+5 | 5.6 | 2.5 | 2-5 | 280-999.9 | D+8 | 25 | 4 | 10-33 | |
| 20-220 | D+5 | 9.7 | 2.5 | 2-9 | 1000-2200 | D+8 | 25 | 4 | 33-70 | |
| 80-400 | D+5 | 15 | 2.5 | 4-15 |
|
|
|
|
|



























Cím
No.1 Ruichen Road, Dongliuting Industrial Park, Chengyang District, Qingdao City, Shandong tartomány, Kína
Tel